tamponi M1 Star EBG
|

|
|
M1 Star è una linea innovativa di misuratori manuali per il controllo diametrale di fori.
M1 Star EBG (Electronic Bore Gauge), è il misuratore elettronico manuale ideale per il controllo di diametri, ovalità e conicità di fori, ove siano richieste prestazioni di elevata precisione. Per le sue caratteristiche di robustezza e per l’elevato grado di resistenza agli agenti esterni, M1 Star EBG è particolarmente adatto all’impiego anche negli ambienti di produzione più avversi. |
Caratteristiche principali
- Campo di applicazione da 3 a 300mm, con profondità della sezione di misura fino a 500mm.
- Sistema di prelievo della misura completamente privo di attrito.
- Ripetibilità entro 0.5 mm, costante su tutto il campo applicativo, documentata da un certificato di collaudo individuale del prodotto.
- Robustezza ed affidabilità (tenuta stagna IP67, resistenza agli urti ed alle cadute accidentali, cavo anti-strappo sostituibile),
- Il trasduttore, disponibile sia in versione LVDT che HBT con elettronica Marposs.
Un apposito circuito di compensazione integrato nel cavo-prolunga, permette di realizzare la compatibilità con altre elettroniche di larga diffusione.
- La capsula di misura EBG può essere rapidamente sostituita, in quanto dotata di un connettore che la rende indipendente dai suoi componenti di natura applicativa.
- Rapida consegna.

|
Componenti del prodotto
1 OGIVA:
è l’elemento di guida che rende indipendente il risultato della misura dalla manualità dell’operatore.
2 CONTATTI DI MISURA:
sono disponibili con diverse raggiature e in diversi materiali (widia, diamante e carbonio amorfo) in base alla tipologia di pezzo da misurare.
3 EQUIPAGGIO:
è l’elemento di misura ed è costituito, a seconda del range diametrale, da 2 o da 4 bracci fulcrati. Alloggia un trasduttore elettronico differenziale LVDT o HBT di altissima accuratezza, affidabilità e durabilità (tenuta stagna IP67 – completamente privo di attrito), che traduce la misura eseguita meccanicamente in un segnale elettrico ad essa proporzionale.
4 ELETTRONICA DI ELABORAZIONE DEL SEGNALE:
L’insieme delle elettroniche “on board” di M1 EBG. Provvede alla normalizzazione del segnale e permette la regolazione fine della sensibilità.
5 CONNETTORE:
consente di rendere indipendenti la caspula e la prolunga-cavo, rendendo più semplici i riattrezzamenti e più economiche le riparazioni.
6 MANICO:
è il supporto fisico della capsula di misura, consente la manovrabilità del tampone nel rispetto dell’anatomia della mano.
7 PROLUNGA CAVO:
conforme alle normative EMC (compatibilità elettromagnetica), ha caratteristiche studiate appositamente per le applicazioni di tipo manuale. La sua sostituibilità, contribuisce all’abbattimento
dei costi di gestione del prodotto. |
|

|
Caratteristiche tecniche

Tastatori
Per la capsula standard i tastatori sono in widia.
Per le capsule speciali, per i tipi e diametri indicati nelle tabelle delle pagine seguenti, è possibile montare anche tastatori in carbonio amorfo o in diamante.
In caso di ordine di capsule speciali è necessario verificare che il materiale ed il raggio del tastatore siano tra quelli disponibili.
|
La Capsula EBG
La capsula EBG, costituita da ogiva, equipaggio e tastatori, è la parte principale del misuratore. Può essere facilmente intercambiata semplicemente svitandola dal manico e disconnettendo il cavo.
OGIVA:
di acciaio inossidabile X30 temprato e rettificato, a raggiungere una durezza dell’ordine di 52–56 HRC; è l’elemento guidante della capsula. La grandissima accuratezza con cui Marposs S.p.A realizza il corpo ogiva consente di minimizzare gli errori di misura causati dal gioco fra ogiva e pezzo.
TASTATORI:
sono i veri e propri punti di misura del foro. Interamente in Widia nella loro configurazione standard, sono disponibili anche in diamante o rivestiti al carbonio amorfo, per soddisfare tutte le esigenze di misura su qualsiasi materiale. Sono disposti nella capsula ad una determinata distanza C dal cielo dell’ogiva, in dipendenza della tipologia di foro da misurare (B/T/SB). Prodotti con due diverse saggiature a seconda della rugosità superficiale del pezzo da misurare:
- R1: raggiatura standard, consigliata per superfici con rugosità Ra ≤ 2 µm
- R2: consigliato per fori di diametro fino a 26mm con rugosità Ra ≤ 4 µm; consigliato anche per fori da 26 a 300mm con rugosità Ra ≤ 8 µm.
EQUIPAGGIO:
è l’elemento di misura ed è costituito, a seconda del range diametrale, da 2 o da 4 bracci fulcrati.
Alloggia un trasduttore elettronico differenziale LVDT o HBT di altissima precisione, affidabilità e durabilità (tenuta stagna IP67 - completamente privo di attrito), che trasduce la misura eseguita meccanicamente in un segnale elettrico ad essa proporzionale. |
|

La capsula EBG è disponibile nelle seguenti versioni:
EBG – B per fori ciechi da 3 a 300 mm.
EBG – T per fori passanti da 3 a 300 mm.
EBG – SB per fori super-ciechi da 10,5 a 300 mm.
EBG – DEPP per fori profondi da 10,5 a 26 mm.
|
|
Dimensionamento della capsula
ø D nominale = ø min FORO – [0,0007 * (ø min FORO + 12)]
Tolleranza per ø D nominale |
|

|
|
Manico completo
La funzionalità dell’impugnatura è garantita dalla sua forma ergonomica.
Un salvacavo a molla preserva il cavo da eventuali torsioni. E’ dotata di una targhetta metallica che può essere marcata con i codici significativi dell’applicazione, anche dal cliente. |
|

|
|
Prolunghe
Le prolunghe in acciaio inox, inserite tra capsula ed impugnatura permettono di raggiungere la profondità di misura desiderata. |

|
|

|
|
|
|
|
|
|
Fermi di profondità
I fermi di profondità servono per definire con precisione la profondità della sezione di misura. Sono costruiti in acciaio inox e si possono fissare, in posizione longitudinale, sull’ogiva oppure sulle prolunghe.
In caso di ordine specificare il diametro dell’ogiva. |

|
|
 |
|
|
Capsula EBG-B
Fori Ciechi 3 - 300 mm |
Capsula EBG-T
Fori Passanti 3 - 300 mm |
|
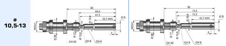
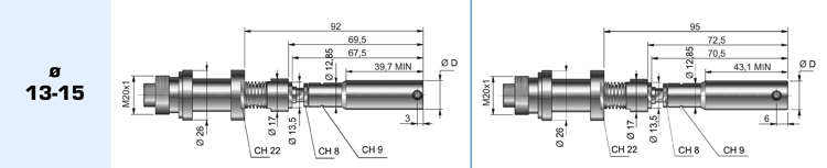
Capsula EBG-SB
Fori Ciechi 10,5 - 300 mm |
Capsula EBG-DEPP
Fori Ciechi 10,5 - 26 mm |
|
|