MG SpA - Copyright 2024
Ti trovi in:

calibri per coni

 

Per il controllo per variabili di manufatti conici sono proposte due soluzioni:

  • Calibri a contatto con comparatori o sensori elettronici.
  • Calibri pneumatici.

Con i calibri pneumatici è possibile realizzare applicazioni di misura di elevata affidabilità e precisione.
L’elaborazione elettronica permette di combinare i valori rilevati nelle varie sezioni di misura e riportare una precisa valutazione della conicità (caratteristica determinante per il manufatto).


Per il controllo dei coni per gli attacchi degli utensili MORSE - ISO - HSK, MG dispone di una serie di soluzioni di controllo con calibri per variabili o pneumatici.

 

CONTROLLO DEI CONI ISO


Anello pneumatico a 3 circuiti di misura per coni ISO 7/24 Tab. ISO 7388

 

 

Accessori per misura tiraggio:                   Codice per ordine
attacco per sensore LVDT                      S.87888 - M11
rinvio per comparatore Ø 40                       112405
rinvio per comparatore Ø 60                       112305


Tampone pneumatico a 3 circuiti di misura per coni ISO 7/24 Tab. ISO 297

 

 

Accessori per misura tiraggio:                          Codice per ordine
attacco per sensore LVDT/comparatore          S.87888 - M11

 


 

CONTROLLO DEI CONI HSK - calibri per attacco maschio DIN 69893


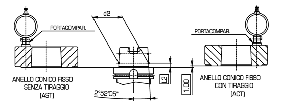
Anello conico fisso

 

 

 

 

 

 

esempi per ordinazione

anello conico fisso senza tiraggio per forma 50A: ACTS HSK 50A
anello conico fisso con tiraggio per forma 50A: ACTT HSK 50A

accessorio portacomparatore: S.87888 - M11


Coppia di anelli conici per variabili

 

 

 

 

 

 

 

esempi per ordinazione

coppia di anelli per variabili per forma 50A: ACV HSK 50A
master di azzeramento per anelli forma 50A: ACVM HSK 50A


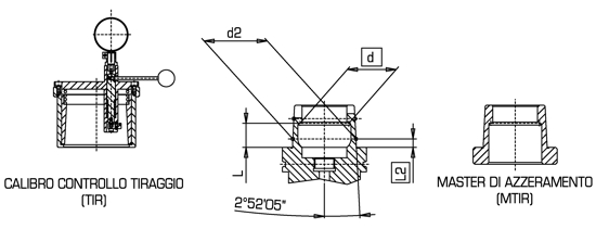
Calibri per controllo tiraggio

 

 

 

 

 

 

 

 

esempi per ordinazione

calibro controllo tiraggio per forma 50A: TIR HSK 50A
master per calibro controllo tiraggio per forma 50A: TIRM HSK 50A


 Anello pneumatico a 2 circuiti di misura

 

 

 

 

 

 

 

esempi per ordinazione

anello pneumatico per forma 50A: APN HSK 50A
coppia di master per forma 50A: APNM HSK 50A


 

CONTROLLO DEI CONI HSK - calibri per attacco femmina DIN 69063


Barra di controllo

 

 

 

 

  

   

    

 

  

    

esempi per ordinazione

 barra per forma 50A: BDC HSK 50A


Calibro controllo tiraggio

 

 

 

 

  

  

  

  

 

esempi per ordinazione

calibro controllo per forma 50A: ATIR HSK 50A d... L... 
master di azzeramento per calibro forma 50A:ATIRM HSK 50A d... L... 
le dimensioni “d” ed “L” dovranno essere sempre specificate assieme al codice d’ordine


Tampone conico fisso  

 

 

 

 

 

 

esempi per ordinazione

tampone conico senza tiraggio per forma 50A: TAST HSK 50A
tampone conico con tiraggio per forma 50A: TACT HSK 50A

accessorio portacomparatore: S.87888 - M11


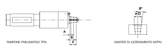
 Tampone pneumatico a 2 circuiti di misura

 

 

 

 

 

 

 

 

esempi per ordinazione

tampone pneumatico per forma 50A: TPN HSK 50A
coppia di master di azzeramento per forma 50A: TPNM HSK 50A

 


 

CONTROLLO CONI SEDI PINZE ER


Tamponi Pneumatici a 2 o 3 circuiti di misura per controllo sedi pinze ER DIN 6499-C

 

 

 

 

 

 

esempi per ordinazione

tampone pneumatico per pinza ER 20: TPN ER 20
master di azzeramento per pinza ER 20: TPN ERM 20


 

ALTRI CONI 


MG è in grado di fornire strumenti per il controllo di qualsiasi tipo di cono, come ad esempio: ugelli del gas, parti coniche di protesi, ecc.

 

 

 

 


 

 

TOP