|
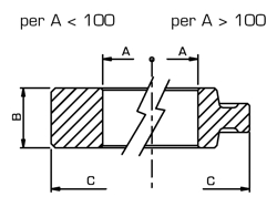
Tamponi Lisci Reversibili
Sigla TLR

Per quote da 0,2 a 19,45 mm.
Vengono impiegati per il controllo completo di fori con dimensione Passa e Non Passa.
Sono così composti:
- Parti calibranti Lato Passa - Non Passa con spine cilindriche in acciaio per calibri durezza 61 ÷ 64 HRC, lunghezza mm 50.
- Impugnatura con ghiere di bloccaggio per le parti calibranti.
La composizione modulare offre il vantaggio di poter impiegare la parte calibrata prima da un lato e successivamente (quando questo risulta usurato) dal lato opposto. |
|
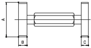
Spine Cilindriche
Sigla SCY

Spine cilindriche calibrate con le seguenti caratteristiche:
- Tolleranza di costruzione: ± 0,001 mm.
- Rugosità: inferiore a 0,025 micron Ra.
- Rotondità: inferiore a 0,0005 mm.
- Conicità: inferiore a 0,001 mm.
- Durezza: 61÷64 Rockwell C.
Disponibilità a magazzino dal Ø 0,5 al Ø 10 mm con progressione di 0,002 mm.

|